1. HOME
  2. 製品情報
  3. 機構製品
  4. トルクヒンジ(φ20.0)

トルクヒンジ(φ20.0)高トルク仕様

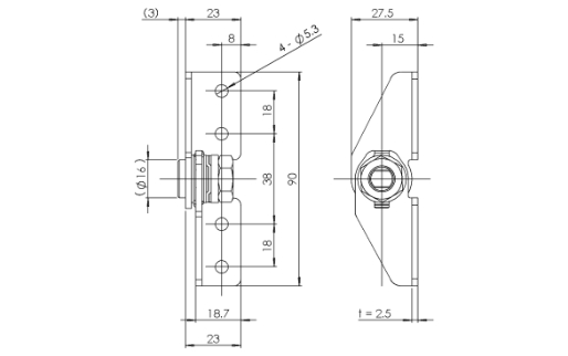
20251209_torquehinge_20.0_Drawing
20251209_torquehinge_20.0
20251209_torquehinge_20.0_Drawing
20251209_torquehinge_20.0

トルクヒンジ(φ20.0)高トルク仕様

標準品

全域フリーストップのトルクヒンジ。
トルク発生部は弊社の標準部品を利用し、ご要望に沿った取付金具を
作製させて頂き、ヒンジとして供給いたします。
本製品は、4.0~8.0N・mの範囲で、初期トルクの選択が可能です。

 
ファイルのダウンロードには
会員登録が必要です  🔐 ログイン 📝 ユーザー登録
詳細
各種資料ダウンロードのためにはユーザー登録が必要となっております。ID・パスワードをお持ちの方は「ログイン」から、お持ちでない方は「ユーザー登録」より登録後、ログインをお願いします。


データダウンロード

特徴

1.動作

全域フリーストップタイプ(ストッパ無)

2.標準部品を利用

トルク発生部は弊社標準部品を利用し、ご要望に沿った取付金具を作製、ヒンジとして供給いたします。

用途

業界・分野 使用シーン 採用メリット
産業機器・計測機器 分析装置や検査装置のディスプレイ フリーストップ機構により、開口角度を任意に保持できるため、安全で作業性が高い
医療機器 超音波診断装置のモニターアームなど 片手操作でも滑らかに開閉でき、1.0~2.0 N·mのトルク範囲で患者・医療従事者の安全性を確保
情報端末・POS 小型タブレットスタンド、券売機/キオスク端末のモニターチルト機構 薄型筐体に組み込みやすく、任意角度に固定できるため視認性を最適化
車載・モビリティ 後席用折り畳みテーブル、コンソールボックスのリッド ストッパー不要で静音開閉が可能。振動下でも設定角度を保持
店舗什器・ディスプレイ 商品説明パネルの角度調整など 自由な保持位置により来客が手を放しても位置がずれず、安全性と演出効果を両立

仕様・規格

サイズ お問い合わせください。
トルク 6.0 N.m ±15%
中心値:4.0~8.0 N.mまで対応可能です。
備考 RoHS対応

その他の回転動作製品について

!-- トルクヒンジφ16.0 -->